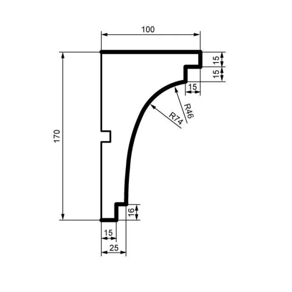
Карниз фасадный из полистирола Leptonika KC 101 2 м

00-00018799
10 дн.
БрендLeptonika СтранаУкраина Типкарниз Формавогнутый Цветбелый Длина2000 мм Фактура поверхностигладкая
Доставка
Варианты оплаты
Описание

Карниз фасадный из полистирола Leptonika KC 101 2 м

Еще каких-нибудь сто лет назад невозможно было представить экстерьер здания, будь он в стиле модерн либо классическим, без элементов лепного декора. И не без оснований. Лепной декор - это свидетельство вкуса, удивительная изысканность и, вместе с тем, чувство меры. Красоту деталей коллекции Leptonika и легкость монтажных работ дополняют прочностные характеристики материалов.

Профиль карниза Leptonika KC 101 вырезается из блока ПСБ-С-25 с заданной компьютером точностью. Затем методом протяжки или напыления наносится высокоппастичное защитное покрытие слоем 2-2.5 мм для прочности, гидроизоляции и устойчивости поверхности к атмосферным воздействиям. Во время производства коллекции четко соблюдается весь технологический процесс, применяется двойной контроль качества, а также отработана система упаковки для различных по габаритам элементов. Для монтажа изделий необходимо использовать клеевую строительную смесь и клей-пену для фасадных работ, рекомендуемую производителем для приклеивания пенополистирола.

Фасадные карнизы являются популярным элементом фасадного лепного декора. Карниз – это горизонтальный выступ на стене, который может располагаться по верху фасада – основной или венчающий карниз - или на уровне межэтажных перекрытий, а также над оконными и дверными проемами. Достоинством лепных карнизов является утепление проблемных участков экстерьера, таким образом, фасадная лепнина соединяет в себе практическую и эстетическую стороны. С омощью лепнины можно умело замаскировать дефекты на стенах и потолке – трещины, зазоры, перепады.

Преимущества архитектурного фасадного декора Leptonika:

долговечность и эстетичность - не перегружает пространство,

высочайшее качество,

превосходная устойчивость перед механическим воздействием, влагой, ультрафиолетом и температурными колебаниями,

экологическая безопасность,

возможность обработки мест стыковки и реставрации покрытия смесью DarMix,

простота монтажа и ухода,

легкость в транспортировке, разгруке, складировании.

Рекомендации по соединению швов и их реставрации:

Стыковочный шов между элементами оставляется в пределах 2-2,5 мм. Весь обьем шва с избытком заполняется клей-пеной. Если стыковочный шов превышает ширину 2,5 мм, необходимо расшить его более чем на 50 мм и подготовить для него вставку из пенополистирола для получения необходимых зазоров.

Декоративно-реставрационная смесь "DarMix" наносится на предварительно расшитые стыковочные швы, шириной 2-2,5мм и глубиной 2-2,5мм. Увеличение глубины шва может привести к растрескиванию в связи с разным временем высыхания верхнего и внутреннего слоя декоративно-реставрационной смеси, уменьшение глубины шва может привести к разгерметизации, т.к. будет выполняться только декоративная, а не защитная функция. Смонтированные элементы необходимо обязательно прогрунтовать, покрасить или нанести на них декоративную штукатурку.

Характеристики
Тип
  • карниз
Форма
  • вогнутый
Место применения
  • для дома
  • для коттеджа
Тип применения
  • для наружного применения
Объекты применения
  • для фасада
Цвет
  • белый
Длина
2000 мм
Материал
  • полистирол с защитным покрытием
Покрытие
  • композитное
Фактура поверхности
  • гладкая
Ширина по стене
170 мм
Ширина по потолку
100 мм
Опции и особенности
  • влагостойкость
Бренд
Leptonika
Вес
3,283 кг
Страна
Украина
Предложения от продавцов
Нет в наличии
0.00 
Отзывы

Отзывы не найдены

Быстро и качественно доставляем

Наша компания производит доставку по всей России и ближнему зарубежью

Гарантия качества и сервисное обслуживание

Мы предлагаем только те товары, в качестве которых мы уверены

Возврат товара в течение 30 дней

У вас есть 30 дней, для того чтобы протестировать вашу покупку